Inhaltsverzeichnis
Röhrentechnik
- Beispiele für Doppel-Trioden sind:
- ECC83/12AX7 (rausch-, klirr- und mikrofoniearme NF-Doppeltriode für NF-Verstärker)
- Beispiele für Pentoden sind:
- EF80 (HF-Pentode für Zwischenfrequenzverstärker) ⇒ die EF184 ist die verbesserte Version
- EF83 (regelbare NF-Pentode, zur Audiosignalregelung eingesetzt)
- EF85 (regelbare HF-Pentode)
- EF86 (rauscharme NF-Pentode, für Audio-Vorverstärker)
- EF98 (Niederspannungs-Kleinsignalpentode, besonders für Hybrid-Autoradios)
- EL34 (NF-Endpentode für tragbare Audioverstärker)
- EL41 (NF-Endpentode für Radiogeräte älterer Bauart)
- EL84 (NF-Endpentode für Radiogeräte und Verstärker)
- PL83 (Videoendstufe/Breitbandpentode für Fernsehgeräte)
Vorverstärkerschaltungen
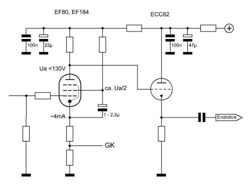
Vorverstärkerschaltung mit kleinem Ausgangswiderstand
Bei der hier vorgesehen Anwendung hat diese vorgestellte Schaltung den Vorteil, daß damit sehr klirrarme, aber doch röhrentypische Verstärkung nach Belieben möglich ist. - Hoher Eingangswiderstand und ein wirklich niederohmiger Ausgang garantieren dies. Das Triodensystem ist mit einer halben ECC 83 identisch. Dieses bietet eine hohe Leerlaufverstärkung von ca. 100. Der Pentodenteil kann mit Strömen bis 36 mA aufwarten, was im Betrieb als Leistungsverstärker für 4 W ausreicht. Durch die gewählte Beschaltung wird die Pentode auf etwa 20 mA Arbeitsstrom festgelegt und durch eng tolerierten (!!) Widerstände streng an ihren Arbeitspunkt gezwungen. Engtolerierte Metallschicht- und Metalloxidwiderstände halten die Daten der Verstärkerstufen auch über lange Zeit konstant.
SRPP
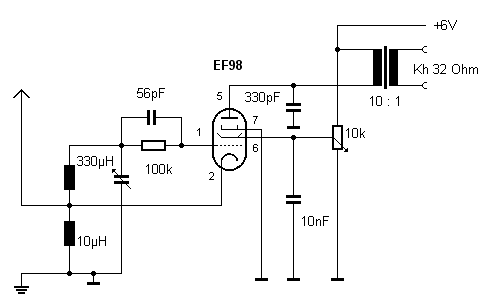
Breitband-Pentode mit Trioden-Kathodenfolger als SRPP-Alternative
Quelle: https://www.frihu.com/roehrenverstaerker/selbstbau/breitband-pentoden/
Generell muss man bei den Kleinsignal-Pentoden zwischen Breitband-Pentoden und reinrassigen NF-Pentoden unterscheiden. Die Breitband-Pentoden heissen nicht umsonst so und können nahezu überall eingesetzt werden. Manchmal, oftmals, eigentlich immer werden diese Röhrensysteme in der HF-Technik eingesetzt, weshalb sie dann auch HF-Pentode genannt werden. Frequenzen im Megahertz-Bereich gehören bei diesen Pentoden zur Normalität.
Die reinrassigen NF-Pentoden wurden (werden) ausschliesslich für NF-Zwecke hergestellt. So zB. die EF86. Diese hat mit anderen EF8x nichts am Hut. Die häufig eingesetzte Ersatzröhre EF80 (ausgewiesene HF-Pentode) ist keine EF86. Diese Röhre ist übrigens die letzte Erfindung für NF. Andere, ähnliche Röhren für NF, sind älter. Zum Beispiel die EF37. Die 6C6 bzw. die 210A (Western Electrics »Hausmarke« der 6C6), oder die 6BS7 sind amerikanischen Ursprungs.
Die EF80 wurde schon frühzeitig als preiswerter Ersatz für die EF86 genommen. Ein paar Daten hierzu verdeutlichen die gewaltigen Unterschiede:
Die EF86 kommt mit einer Steilheit (S) von 2,2mA/V, einem Verstärkungsfaktor (µ) von 38 und einem Innenwiderstand (Ri) von 2,5MΩ (!) daher.
Die EF80 hält mit etwa 7mA/V, einem µ von 50 und einem Ri von »nur« (gemittelt) etwa 550 Kiloohm dagegen.
Die EF184 setzt dem noch einen drauf: S=15mA/V, µ=60 und knapp 400kΩ Ri. Und die röhreneigenen Kapazitäten erst…
Bei solchen Daten ist es verwunderlich, warum ausgerechnet die EF86 so »toll« sein soll. Der Ansatz, EF80 oder EF184 für HiFi zu verwenden, ist also sooo falsch nicht. Wenn man es denn auch richtig machen würde…
Gerade von der EF80 hört und liest man, dass sie extrem rauschen und mikrophonieempfindlich sein soll. Wenn die Röhren richtig behandelt werden und kein »faules Ei« vorliegt, dann ist das so ganz einfach falsch. Derartige Röhren wären dann nämlich auch nicht für ihr eigentliches Aufgabengebiet geeignet gewesen. Man bekommt aber garantiert derartige Probleme, wenn man zuviel »Schmackes« auf die Röhren gibt – beispielsweise, wenn man eine EF80 einfach so in eine alte EF86-Schaltung steckt (was wirklich oft genug passiert). Der Hinweis, dass diese Röhre Probleme macht, wenn »kleinere« Signalpegel als 100mV verstärkt werden sollen, ist so ebenfalls nicht korrekt. Richtig beschaltet macht auch eine EF80 keine Zicken.
Mit »richtig beschaltet« meine ich jetzt nicht die eigentliche Verstärkerschaltung, sondern die Beschaltung des Heizkreises. Auch eine Pentode reagiert – Überraschung! – sehr allergisch auf unzulässiges Uf/k. Die EF80 oder die EF184, mit ihren max. 150V Uf/k, benehmen sich da scheinbar noch sehr gutmütig. Andere, ähnliche Röhren, sind diesbezüglich wesentlich »sensibler«. Achtung, nicht in diese Falle tapsen! Es ist ratsam, sich hier deutlich unter den Maximalangaben zu bewegen. Also nicht knapp darunter, sondern wirklich deutlich.
Auch bei manchen alten »professionellen« EF80-Schaltungen aus den 1960’er bzw. 1970’er Jahren muss man vorsichtig sein. Damals kannte man eben noch kein Eingangssignal mit 1V-Pegel. Verstärker mit einem Frequenzbereich von unter 20Hz bis über 20kHz waren auch eher selten. Baut man sich so eine alte Pentoden-Schaltung nach, dann darf man sich heute über Verzerrungen und ein »komisches« Klangbild nicht wundern. Für heutige Anforderungen muss man etwas umdenken.
Gerade Röhren vom Schlage EF80 oder EF184 weisen ein paar Eigenarten auf, die man schlecht vorhersehen kann. Auch können sich Exemplarstreuungen – besonders in der NF-Technik – bemerkbar machen. Wenn man mit derartigen Röhren HiFi realisieren will (oder muss), dann sollte man sich als erstes einen HF-mäßigen Aufbau angewöhnen: Alle Bauelemente sind direkt und auf kürzestem Wege direkt an die Röhrenfassung zu löten. Das mache ich übrigens auch mit »normalen« Röhren. Das sieht gewöhnungsbedürftig aus, gebe ich zu. Aber viele Probleme entstehen so erst gar nicht.
Man kann auch die Betriebswerte (Spannung) nicht einfach aus dem Datenblatt beziehen, da diese für alles andere als NF-Verstärkung gelten.
Für das Schirmgitter gilt zunächst »Pi-mal-Daumen« halbe Anodenspannung (Ua). »Durchorgeln«. Gegebenenfalls Spannung (vorsichtig) erhöhen oder vermindern. »Durchorgeln« sowie den verdammten Grenzwert (Belastbarkeit des Schirmgitters in Watt) aus dem Datenblatt berücksichtigen. Dies gilt zunächst für ausgewiesene HF-Röhren, also EF80 und Consorten. Bei Röhren wie zB. EF36, EF39 oder EF37 gilt prinzipiell zwar das Gleiche, man darf sich jedoch bequemerweise an EF86-Schaltungen orientieren (nicht nachbauen, nur orientieren). Diese Schirmgitterspannung sollte zudem, besonders bei der EF36 und EF39 gut gesiebt sein. Perfektionisten stabilisieren die Schirmgitterspannung.
Die Schirmgitterspannung habe ich nur der Einfachheithalber genommen. Idealerweise liegt die Schirmgitterspannung nach Abstimmung in der Nähe der Anodenspannung.
Bezüglich Ströme gilt grobe folgende Faustformel: Auf 5mA Anodenstrom kommt 1mA Schirmgitterstrom. Also ein Verhältnis von etwa 5 zu 1. Das gilt zumindest für ausgewiesene »Audio-Pentoden«. Daran ändert sich auch bei vielen »Fernseher-Röhren« nicht viel. Aber… Bei Verbundröhren (Pentode- und Triode) kann durchaus auch das Verhältnis 3 zu 1 vorkommen. So darf man beispielsweise die Pentode der ECF802 richtig arbeiten lassen (Anodenstrom von etwa 4,5 bis vielleicht 6 Milliampere).
Anders als bei Trioden ist der Anodenstrom nicht identisch mit dem Kathodenstrom. Bei Pentoden ist der Kathodenstrom (Ruhestrom) das Ergebnis von Anodenstrom plus Schirmgitterstrom.
Bei der Abstimmung fängt man zunächst mit »konservativen« Schirmgitterströmen an. Obligatorsch (mal wieder) der Hinweis auf das Datenblatt, Abteilung Grenzwerte. Manchmal findet man hier nur die maximale Spannung die am Schirmgitter anliegen darf zusammen mit der maximalen Verlustleistung in Watt. Auch das ist nur vereinfacht. Das Umrechnen muss man dann selber.
Wie man von Spannungsabfall, den man über den Anodenwiderstand misst, auf den Anodenstrom kommt, sollte bekannt sein. Ansonsten sollte man sich zunächst mit den Lehren des Georg Simon Ohm beschäftigen.
Was oft nicht beachtet wird: Idealerweise hängt die gesamte Vorstufenschaltung an einem separaten Netzteilzweig (gilt besonders für Gegentakter). »Wackelt« die Betriebsspannung, weil sich die Endröhren einen kräftigen »Schluck aus der Pulle« genehmigen, dann hilft auch eine Stabilisierung nicht mehr. »Dicke« Stützkapazitäten sind Notlösungen. Bei Eintakter kommt es auf die Endröhren an!
Über die Blockkapazität am Schirmgitter habe ich mich schon ausgelassen. Was nützt die linearste Röhre, wenn sie nicht bis 20kHz und darüber hinaus linear arbeiten darf und schon bei drei Kilohertz anfängt »dicht« zu machen? So eine Schaltung habe ich wirklich gefunden. Dreissig, vierzig Kilohertz sind für Breitband-Pentoden wirklich nichts. Man sollte also wirklich immer bis weit über 20kHz »durchorgeln«. Das Rechteck hat sich auch darüber hinaus als Rechteck zu erkennen zu geben.
Was die Verzerrungen (Klirr) angeht: Pentode vor Triode (wie bei der klassischen 300B-Schaltung) geht vollkommen in Ordnung. Es geht aber noch besser.
Nachdem nun fast alle »Pentodenprobleme« beseitigt sind, sollen nun die ungradzahlige Oberwellendominanz (die bei Pentoden-Eintakter entstehen können) und die hohe Ausgangsimpedanz beseitigt werden. Beides zugleich geht mit einem Kathodenfolger. Und genau damit vervollständigen wir die Eingangsseitig »Nicht-Sensationelle« Vorstufenschaltung.
Ein gleichspannungsgekoppelter Trioden-Kathodenfolger sorgt nach der Pentode zum einen für ausgleichende »Gerechtigkeit« und mischt gradzahlige Oberwellen dazu, zum anderen wird die Impedanz gesenkt. Bei geschickter Auslegung sogar noch weit unter den einer SRPP. Und damit bin ich beim zweiten Schönheitsfehler: Röhrenschaltungen sind ja generell eine relativ hochohmige Geschichte. Und so eine Pentode macht das auch nicht besser. Mit einem Kathodenfolger aber schlägt man dann die zwei Fliegen mit einer Klappe. Das macht sich sogar in einer klassischen 300B-Schaltung ausgesprochen gut, was man als Hinweis verstehen darf, dass ich das ausprobiert habe. Auch eine 300B darf man niederohmig ansteuern!
Einen Pferdefuss gibt es aber.
Der Einsatz von EF80 (EF183, EF184) hängt ganz entscheidend davon ab, wen oder was diese Pentode antreiben soll. Der Kathodenfolger verstärkt ja kaum und dreht auch nicht die Phase!
Eine 845 will es anders haben als eine 300B oder 2A3! Bei KT88 oder EL509 sieht es noch wieder anders aus. Heisst: Die Beschaltung der Kleinsignal-Pentode ist individuell vorzunehmen, vor allem ist die meist notwendige Gegenkopplung mit einzukalkulieren. Ein Patentrezept, sprich Universalschaltung, für diese Röhren kann es deshalb nicht geben. Allein schon deshalb, weil eine EF183 oder EF184 kaum in eine EF80-Schaltung zufriedenstellend arbeitet.
Vor allem muss der Kathodenfolger auf die Endröhren »angepasst« werden. Für Leistungstrioden kann man die beiden Triodensysteme einer ECC82 bzw. 6SN7GT parallel schalten oder sofort andere »Kandidaten« nehmen. Für Pentoden-Eintakter reicht je eine halbe ECC82. Ich nenne diese Doppeltriode deshalb, weil sie mit einem hohen Uf/k-Grenzwert »gesegnet« ist.
Der zusätzliche »Aufwand« lohnt sich und entschädigt mit einem wirklich schönen und abgerundetem Klangbild. Wer so etwas einmal aufgebaut, gut abgeglichen und gehört hat, bekommt bei SRPP Brechreiz.
Pentode versus Triode
- Nachteile der Pentode
- hat ein größeres Rauschen
- fügt dem Signal ungradzahligen Oberwellen (Klirr) hinzu
- hat eine hohe Ausgangsimpedanz, bedingt durch den sehr hohen Röhren-Innenwiderstand (Ri)
- Vorteil der Pentode
- hat eine höhere Verstärkung
Um diese Nachteile zu umgehen und trotzdem eine hohe Verstärkung zu erzielen, wurde die Cascodenschaltung erfunden. Die Cascode, als Vorläufer der SRPP, war zunächst die perfekte Symbiose aus Triode und Pentode…
Das vor einer Triode eine Pentode gehört, scheint sich heute wieder langsam durchzusetzen.
Gegentaktverstärker oder Pentodenmodus/Tetrodenmodus
Quelle: https://www.frihu.com/roehrentechnik/ultralinear-pentodenmodus/
Mit Gegentaktverstärkern assoziiert man sehr oft mit "Ultralinear". Solche Röhrenverstärker »laufen« ultra linear. Besser geht’s nicht. Oder doch? Hier sei noch kurz angemerkt, dass mit Pentodenmodus auch Tetrodenmodus gemeint ist, denn es exisitieren mehr Leistungs-Tetroden als -Pentoden.
Pentoden (EL84, EL34), Tetroden (6L6GC, 5881, 6550) oder Beam Power Tetroden (KT66, KT88, KT90) werden in Röhrenverstärkern meist in Gegentakt (Push Pull) beschaltet und liefern dann richtig Leistung: Zwischen 15 Watt (EL84) und über 100 Watt (KT88) ist alles drin.
Damit die Röhren Leistung bringen, kommt es auf drei Faktoren an:
- die Betriebsspannung
- die Beschaltung
- der Ruhestrom (wobei wir hier stillschwigend davon ausgehen, dass der Gegentakter in Class AB bzw. Class AB1 (Ultralinear) läuft – also mit einstellbarem Ruhestrom)
Ruhestrom
Meistens sagen einem die Hersteller, wie hoch der Ruhestrom (BIAS) im betreffenden Röhrenverstärker zu sein hat. Ob das wirklich optimal ist, kann man relativ leicht nachrechnen. Wir kramen uns dazu am besten das Datenblatt genau der betreffenden Endröhre heraus (wenn er nicht bei Frank zu finden ist, hilft eine Suchmaschine mit folgen Begriffen zu füttern: »datasheet Firma Röhrentype«), suchen die Angabe »maximale Anodenverlustleistung« (in Watt), messen dann die Betriebsspannung nach und dann darf gerechnet werden.
Wir machen uns hier die recht genaue Faustformel zunutze, dass das Ergebnis etwa 60% der Anodenverlustleistung (Plate Dissipation in Watt) sein soll.
Lautet die Datenblattangabe zB. maximale Anodenverlustleistung 42 Watt im Pentodenmodus (nicht Ultralinear), dann sind 60% eben 25,2 Watt. Als Betriebsspannung nehmen wir mal 500 Volt an.
Die Grundformel:
P * 0,6 = U * I "60% Anodenverlustleistung" = "Betriebsspannung" * "BIAS in Ampere"
stellt man um, um den optimalen Ruhestrom (BIAS) zu erhalten:
I = P * 0,6 / U I = 0,0504A = 25,2W / 500V I = 50,4 mA
Mit 50mA (0,05A) läuft die Röhre also schön rund und vollkommen innerhalb ihrer Spezifikation. Je höher nun der Ruhestrom gewählt wird, desto höher der Klirranteil. Etwas mehr Leistung lässt sich auch noch herauskitzeln. Macht man beispielsweise in Gitarrenverstärker. Gibt man bei dem Ruhestrom aber zuviel Gas, dürfte die Röhre »rote Backen« bekommen.
Rote Backen heißt: Die Anodenbleche glühen und man ist gerade dabei die Röhre zu killen. Man spricht auch von einer guten, mittleren, Einstellung (60% für HiFi) und einer »heißen« Einstellung (70% bis 75%, z.B. für Gitarrenverstärker).
Diese einfach gehaltene Betrachtungsweise gilt zunächst nur für den Pentodenmodus. Wer es exakt haben will, kommt um die Messungen von Anodenstrom und Schirmgitterstrom nicht herum.
Übrigens: Multipliziert man die Prozentangabe mit zwei, bekommt man als Ergebnis die ungefähre Ausgangsleistung des Gegentakters. Bei Eintaktern dividiert man die Anodenverlustleistung dagegen durch vier. Auch dieser Wert ist eher ein zu hoher Schätzwert.
Schirmgitter (Screen grid)
Das Schirmgitter bei Pentoden oder Tetroden haben die Entwickler ja nicht ohne Grund nach außen geführt.
Hier besteht noch Möglichkeit, am Verhalten der Pentode (Tetrode) etwas zu »drehen«. Bei den Endröhren kann die Art der Beschaltung erheblichen Einfluss auf Klirr, Verzerrungen und Leistung haben. Das Schirmgitter liegt dabei immer auf positives Spannungspotential.
Das Schirmgitter wird auch als g2 bezeichnet. Das Gitter g1 ist das Steuergitter. Wichtig: Um ein oszillieren zu verhindern, liegt in der Schirmgitterzuleitung immer ein Widerstand (etwa 100Ω, höhere Werte haben hier die Aufgabe, »etwas« Spannung zu vernichten, dann entspricht die Belastbarkeit dieser Widerstände auch nahezu die maximale Leistung des Schirmgitters.
Steht z.B. im Datenblatt etwas von 6 Watt, sind 6W-Widerstände eigentlich nicht falsch – aber völlig überdimensioniert. Vier Watt dürften völlig ausreichend sein. Achtung: Dieser Widerstand übernimmt auch Schutzaufgaben – besonders wenn es sich um »Ultralineartechnik« (eigentlich Schirmgittergegenkopplung) handelt. Ein dicker Hochleistungswiderstand (Zementbunker), der ja heiß werden darf, ist das falsche Bauelement! Genauso wie Metallwiderstände. Entweder Draht oder – noch besser – Kohlewiderstände.
Auch wenn man in den Datenblättern zunächst nur eine Spannungsangabe findet – nicht die Spannung allein interessiert, sondern eher Leistung. Also W(att). Und Watt ist das Produkt von Spannung und Strom. Das Schirmgitter zieht sich den Strom, den es zur Erreichung seiner »Leistungsfähigkeit« benötigt. Deshalb findet man meist auch »irgendwo« eine W-Angabe für das Screen grid (g2).
Triodenmodus
Pentoden bzw. Tetroden können zwar Leistung produzieren, leider geht dies auch einher mit ganz vielen »bösen« ungradzahligen Oberwellen (k3, k5). Leistungstrioden (die haben ja ausser einem Steuergitter ja kein weiteres Gitter) hingegen produzieren vorwiegend die »guten« gradzahligen Oberwellen (k2, k4).
Um nun den Pentoden Triodeneigenschaften anzuzüchten, wird das Schirmgitter einfach mit der Anode verbunden. Das reduziert zwar die Leistung verhilft der Pentode aber auch zu weniger k3 und mehr k2. Nachteil: Das Schirmgitter wird NF-mäßig »moduliert« und darf einen maximalen Spannungswert im Ruhezustand (Datenblatt) nicht überschreiten. Wir müssen uns hier vor Augen führen, dass die reine Anodenspannung bei Ansteuerung mit dem NF-Signal beaufschlagt wird. Da können durchaus 100 Volt und mehr hinzukommen.
Pentodenmodus
Wird jedoch wirklich Leistung verlangt, schaltet man das Schirmgitter auf eine stabile positive Spannung. Diese Schirmgitterspannung muss wirklich stabil anliegen und darf nicht im Takt der Musik schwanken. Die Schirmgitterspannung darf auf keinen Fall den maximalen Grenzwert (siehe Datenblatt!) überschreiten und liegt immer deutlich unter der Betriebsspannung Ub, die in leistungsfähigen Verstärkern auch mal über 600V betragen kann!
Viel Leistung bedeutet auch ein hoher ungradzahliger Oberwellenanteil. Geschickt gewählte Ruheströme (die ja auch die Leistung beeinflussen) sowie Trioden in der Vorstufe können das Klangbild gut »ausbalancieren«.
Ultralinear
Alan Blumlein kam irgendwann auf die Idee, das Schirmgitter an eine definierte Übertrageranzapfung anzuschliessen. Hafler & Kereos machten aus dieser Grundidee dann das Ultralinear. Damit liegt das Schirmgitter zwar auf positives Spannungspotential, aber es wird NF-mäßig moduliert. Es gelten die gleichen Bedingungen wie auch im Triodenmodus. Die Betriebsspannung (Ub) liegt meist in der Nähe der maximalen Schirmgitterspannung.
Achtung: Bei »echtem« Ultralinearmodus wird kein Widerstand vor dem Schirmgitter geschaltet.
Die Wirkungsweise ist streng genommen eine lokale Gegenkopplung und stellt einen Kompromiss zwischen Trioden- und Pentodenmodus dar. Die Leistungsausbeute ist daher geringer als der reine Pentodenmodus, von den klanglichen Eigenschaften aber »sauberer«.
Ultralinear ist schön und gut – aber kein Allheilmittel. Wenn richtig Leistung verlangt wird, versagt diese Technik.
Umschaltbarer Trioden- & Ultralinearmodus
Beide Betriebsarten sind miteinander verwandt. Beide haben ihre Existenzberechtigung. Aber zusammen? Das ist nun wirklich keine so gute Idee und ist mit vielen Kompromissen behaftet. Nicht zuletzt stellt so ein Betriebsarten-Umschalter eine letale Waffe für die Endröhren dar und ist purer Sadismus.
Wer seine geliebten Röhren zuverlässig killen will, der betätigt den Umschalter ein paar mal während des Betriebes und einer Leistungsabgabe von etwa 40%. Wenn überhaupt, sind manuelle Schalter vorzuziehen, die nur dann betätigt werden, wenn der Verstärker ausgeschaltet ist.
Pentoden- / Tetrodenmodus
Den Pentoden- bzw. Tetrodenmodus trifft man weit häufiger an, als man glauben mag. Wer einen echten 50- bis 80-Watter mit nur zwei KT88 bzw. 6550 benötigt, kommt um diese Betriebsart fast nicht herum.
Hier ist Ultralinear wirklich nicht das Mittel der Wahl – es sei denn, man schaltet mehrere (schwächere) Endröhren parallel, um die gewünschte Leistung zu erhalten. Im mittleren Leistungsbereich, also bis etwa 40 Watt ist die Ultralineartechnik ideal. So etwas kann man mit EL34 oder KT66 schnell und unkompliziert bewerkstelligen.
Bei »Hochfrequenzröhren« (z.B. 6146, alle FU- und GU-Röhrentypen) muss das Schirmgitter auf festes Spannungspotential liegen (Tetrodenmodus) und darf nicht mit NF moduliert sein.
KT88 & 6550 Essentials
Weil es immer wieder zu Missverständnissen kommt (an denen auch die Hersteller nicht ganz unschuldig sind):
- eine 6550 ist keine KT88
- eine KT88 ist keine 6550
Je nach Arbeitsbedingung und gewünschter Leistung ist der Gitterwiderstand (g1) nach Datenblattangabe zu wählen. In nahezu 90% aller Gegentaktverstärker (egal ob industriell gefertigt oder nur als Schaltplan online gestellt) ist dieser falsch. Ich habe bisher nur einen Röhrenverstärker gesehen, wo dieser Widerstandswert werksmäßig richtig dimensioniert wurde!
Die Schirmgitterspannung für KT88 bzw. 6550 muss im Pentodenmodus (richtiger wäre ja Tetrodenmodus) und bei einer Versorgungsspannung von 500V bis 550V zwischen 300V (Minimum) und 400V (Maximum) liegen. Und das sehr stabil. Liegt die Schirmgitterspannung bei 6550 deutlich über den Maximalwert von 400V, dann darf der Verstärker nur für ein paar Sekunden volle Leistung abgeben – am besten gar nicht.
Bei KT88 (KT90, KT100…) darf es etwas mehr sein. Man kann die Gefahr einer Selbstzerstörung »etwas« umgehen, indem man die Ruheströme nicht allzuhoch »dreht«. Bei etwa 40mA liegt man ziemlich auf der sicheren Seite. Gut ist das aber trotzdem nicht!
Diese Schirmgitterspannung erfordert am besten ein »eigenes Netzteil«, zumindest aber einen Abgriff über einen belastbaren Serienwiderstand und zusätzlicher Siebung. Die Siebung kann moderat ausfallen, da hier keine Ströme fliessen, die einen 100µF-Elko rechtfertigen.
Viele Hersteller umgehen diese »Problematik«, indem sie einfach die Versorgungsspannung so niedrig wählen, dass diese nahezu gefahrlos auch am Schirmgitter angeschlossen werden kann (in der Regel 420V bis 450V). Viel mehr wie überangestrengte 45 Watt sind dann aber nicht drin. Mit Hilfe von RMS-Schätzungen kann man daraus aber 50 Watt zaubern.
In Ultralineartechnik verhält es sich etwas anders. Die Schirmgitterspannung wird vom NF-Signal moduliert und man kommt zwangsläufig auf höhere Spannungswerte.
In Ultralinear reichen etwa 2W Drahtwiderstände (100Ω bis 220Ω). Der Ruhestrom ist hier etwas geringer einzustellen. Viele Schaltbilder (gilt auch für EL34 & Co.) weisen keinen derartigen Widerstand auf. Von den Verstärkern ganz zu schweigen. Aus »unerklärlichen« Gründen durchgebrannte Kathodenwiderstände zeugen dann davon, dass hier etwas ins Schwingen geraten ist.
Die 6550 ist für Ultralinear und bei einer Schirmgitterspannung von über 350V nicht mehr geeignet (dafür ist sie auch nie entwickelt worden!). Theoretisch käme aber eine KT88 damit gut zurecht. Theoretisch! Leider versteckt sich in vielen neueren KT88 nur eine »simple« 6550. Und es wäre wirklich hilfreich, wenn man den Datenblättern trauen könnte (manche »Datenblätter« sind so plump von anderen [russischen] Datenblättern kopiert, dass das eigentlich jedem auffallen sollte). Zum Vergleich nehme man das (alte) Datenblatt von Genalex und vergleiche die Angaben!
Viele trauen der 6550 recht wenig zu. Dabei ist das eine Tetrode, die früher vorzugsweise in Bass-Gitarrenverstärker eingesetzt wurde. Da die 6550 recht anspruchslos ist, konnte mit wenig Aufwand viel Leistung, vor allem mit dem nötigen »Punch«, erzeugt werden. Außerdem war und ist sie sehr robust.
Eine KT88 wird man in solchen Verstärkern nicht finden. Dabei ist es eigentlich ganz einfach, mit der 6550: Es braucht eigentlich nur eine Trafoanzapfung bei etwa 350 Volt, eine einfache Einweggleichrichtung und in diesem Fall einen »dicken« Kondensator (etwa 100µF für alle vier Endröhren). Fertig ist die stabile Schirmgitterspannung. Mit einer Anodenspannung von etwa 600 Volt und Ruheströme von ca. 45mA »zaubert« man daraus einen Gegentakter, der es locker auf etwa 60 HiFi-Watt bringt.
Das Problem in diesem Fall scheint nur die »hohe« Anodenspannung zu sein (Liebhaber von 845- oder 805-Eintakter würde diese Spannung eher im »Niedervoltbereich« ansiedeln…). Fakt ist jedoch, dass man bei derartigen Gegentaktern, noch dazu für den HiFi-Bereich, etwas mehr investieren muss. Und das macht man heute – so ganz ohne »Bling-Bling-Mehrwert« – eben nicht mehr. Mit »Bling-Bling« ginge es durchaus, wie neuere Schaltbilder beweisen: Zur Stabilisierung der Schirmgitterspannung setzt man dort auf eine »Zenerdiode in Röhrentechnik«.
Mal »eben so« einen (mehr oder minder) preiswerten Asia-Verstärker von Ultralinear auf Pentodenmodus »umzufrickeln«, funktioniert nur in den seltensten Fällen: Die Belastung, die die Schirmgitter erzeugen, reicht oftmals aus, sämtliche sekundären Spannungen erheblich einbrechen zu lassen.
Auch ist meist die negative Vorspannung (für BIAS) für den Pentodenmodus zu niedrig, so dass man diese Hilfsspannung »verdoppeln« muss.
A propos Asia-Verstärker: Ich suche z.B. immer noch zuverlässige Angaben zur chinesischen KT88-98 und solange ich die nicht habe, erkläre ich diese Röhre als 6550-Derivat. Wer den Design- und Hypeaufschlag so mancher KT88 nicht bezahlen will (zurecht), liegt bei KT90 oder KT100 richtiger. Paradoxerweise benehmen sich diese Röhrentypen fast wie »richtige« KT88-Röhren, wobei man sich bei der KT90 nicht ganz einig ist, was das nun wieder für eine Röhre ist. Aber sie funktioniert.
Röhren
Röhren-Bezugsquelle: https://btb-elektronik.de/
allgemeines
gute Massenröhren
- ECC82 (12AU7) - sehr verbreitete Vorverstärker-Röhre
- ECC83 - Tonabnehmer-Röhre
- EL34 - kleine verbreitete Röhre mit typischer Charakteristik mit schlechten Höhen und Tiefen
- KT88 - sehr verbreitete Röhre mit guten Höhen und Tiefen
- gute Pentoden:
- 6BS7
- 6C6
- EF86
exotische Röhren
- 300B - sehr teure Treiberröhre (~2000€) mit sehr guten Höhen und schlechtem Bass
- 845 - starke Senderöhre, besonders gut für Klasse-A-Verstärker
edle Hersteller von Röhrenverstärkern
- Rtide (die Beste)
- Shindu (sehr gut)
- Einstein (deutscher Hersteller von eisenlosen Röhrenverst.)
6K4(P)
russische HF-Pentode 6K4P
Die 6K4P ist eine Regelpentode für HF- und ZF-Verstärker. Sie entspricht weitgehend der EF93, allerdings mit interner Verbindung zwischen Kathode und Gitter 3. Die Röhre ist für allgemeine HF-Anwendungen wie Antennenverstärker, Mischer und Audionschaltungen geeignet und kommt z.B. in einem Audion mit einer kleinen Betriebsspannung ab 6 V aus. Die 6K4P lässt sich gut für einfache Röhrenexperimente und für die Ausbildung verwenden. Besonders der Regelumfang von 40 dB eröffnet interessante Möglichkeiten. Die Pinbelegung entspricht der EF95, sodass EF95-Experimente auf dem RT100 ohne Schaltungsänderungen auch mit der 6K4P durchgeführt werden können.
Va = 250 V Vf = 6.3 V Rc = 68 Ohm. Ia min/max acceptable value = (7 - 13) mA
Typische Betriebswerte:
Heizung 6,3V/0,3A Ua=250V Ug2=100V Ig2=5mA S=4,4mA/V Ri=850KOhm
Maximale Betriebswerte:
Ua=300V Ug2=125V Pa=3W Pg2=0,6W Ik=20mA Ukh=90V Rg1=500KOhm
ähnliche Röhren:
- CV454
- 6F31
- 5376
vergleichbare Röhren:
- EF93
- 6BA6
- W727
RUSSIAN TUBES – LAST LETTERS (suffix) MEANING: V (B) - Pipes with increased reliability and mechanical strength. Vibration resistant. E - Long-life tubes with guaranteed life of more than 5,000 hours. EV (EB) - Tubes of increased reliability, mechanical strength guaranteed life of more than 5,000 hours. D (Д) - Extremely durable tubes with guaranteed life of more than 10,000 hours. DR (ДР) - Tubes of special, very high reliability, mechanical strength, and guaranteed life of more than 10,000 hours. I (И) - Tubes designed to operate in pulsed mode, characterized by increased emissivity of the cathode. K - Tubes with high vibration resistance. R (P) - Tubes of special, very high reliability, mechanical strength. OS (ОС) – Tubes special assembly (for the aviation industry).
EF98
Original-Röhre EF98
Die Röhre EF98 ist für HF- und NF-Anwendungen geeignet und kommt mit einer sehr kleinen Betriebsspannung aus. Das ursprüngliche Einsatzgebiet der Röhre waren Autoradios ohne Spannungswandler. Im Hobbybereich wurde sie um 1960 im Radiomann von Kosmos eingesetzt. Die EF98 lässt sich gut für einfache Röhrenexperimente und für die Ausbildung verwenden.
Technische Daten Heizspannung: 6,3 V Heizstrom: 300 mA Anodenspannung: 12,6 V Anodenstrom: 2 mA Steilheit: 2 mA/V Fassung: 7-polig, Miniatur Durchmesser: 18 mm Länge: 53 mm Gewicht: 7 g
Verwandte Röhren:
- Röhre 6J2
- Röhre 6K4P
- Röhre 6J1
EF95
Original-Röhre EF95
Die Röhre EF95 ist für HF- und NF-Anwendungen geeignet und kommt mit einer kleinen Betriebsspannung und einer geringen Heizleistung aus. Das ursprüngliches Einsatzgebiet der besonders kleinen und robusten Röhre war die Funktechnik. Die EF95/5654 lässt sich gut für einfache Röhrenexperimente und für die Ausbildung verwenden.
Verwandte Röhren:
- 6J1
- 5654 (JAN-GE 5654W)
- 6AK5
- 6SH1P
- 6K4 (chinesische Billigkopie mit begrenzter Qualität)
Die chinesische Röhre 6J1 ist für HF- und NF-Anwendungen geeignet und kommt mit einer kleinen Betriebsspannung und einer geringen Heizleistung aus. Sie ist baugleich zur Röhre EF95/6AK5 und zur Röhre 6SH1P. Die 6J1 lässt sich gut für einfache Röhrenexperimente und für die Ausbildung verwenden.
Technische Daten Heizspannung: 6,3 V Heizstrom: 175 mA Anodenspannung: 120 V Anodenstrom: 7,5 mA Steilheit: 5 mA/V Fassung: 7-polig, Miniatur Sockel: CV4050 Durchmesser: 19 mm Länge: 45 mm Gewicht: 6 g
Es werden Versuche mit einer Spannung von nur 12 V beschrieben, die sich zwar auf die EF95/6AK5 beziehen, aber auch mit der 6J1 durchgeführt werden können. Die 6J1 eignet sich aufgrund grosser Toleranzen nur bedingt für Versuche mit nur 12V-Anodenspannung. Ab etwa 48V Anodenspannung sind die Toleranzen dann fast vernachlässigbar. Verwenden Sie für 12V-Versuche besser die pin- und funktions-kompatible Röhre EF95.
Nachfolger der EF95:
- JAN-GE 5654W
EF93
Original-Röhre EF93
andere Namen: EF93 = 6BA6 = W727 = CV454 = PM04
Die 6K4P ist eine Regelpentode für HF- und ZF-Verstärker. Sie entspricht weitgehend der EF93, allerdings mit interner Verbindung zwischen Kathode und Gitter 3. Die Röhre ist für allgemeine HF-Anwendungen wie Antennenverstärker, Mischer und Audionschaltungen geeignet und kommt z.B. in einem Audion mit einer kleinen Betriebsspannung ab 6 V aus. Die 6K4P lässt sich gut für einfache Röhrenexperimente und für die Ausbildung verwenden. Besonders der Regelumfang von 40 dB eröffnet interessante Möglichkeiten. Die Pinbelegung entspricht der EF95, sodass EF95-Experimente auf dem RT100 ohne Schaltungsänderungen auch mit der 6K4P durchgeführt werden können.
Verwandte Röhren:
- 6K4
- 5749
- 6660
- CK5749
Technische Daten Heizspannung: 6,3 V Heizstrom: 300 mA Anodenspannung: 250 V Schirmgitterspannung: 100V Steilheit (Ug1 = -2V): 4,4 mA/V Steilheit (Ug1 = -20 V); 0,04 mA/V Fassung: 7-polig, Miniatur Durchmesser: 19 mm
Technische Daten Typ: EF 93 = 6 BA 6 Ausführung: Pentode Anodenspannung U(A): 100 V Anodenstrom I(A): 10.8 mA Heizspannung U(F): 6.3 V Heizstrom I(F): 300 mA Sockel: B7G Polzahl: 7 Höhe: 54.5 mm Breite: 19 mm
EF80
Original-Röhre EF80
Die EF80 ist eine Breitband Pentode die auch gut als NF-Verstärker einsetzbar ist. Auf Grund des relativ hohen möglichen Anodenstroms von 10mA ist die EF80 als Treiberröhre für Trioden- , Ultralinear- und kräftige Pentodenendstufen geeignet. Leider ist die EF80 relativ stark mikrofonie empfindlich und deswegen nicht als Vorverstärker mit einer nominalen Eingangsspannung unter 50mV~ geeignet.
Verwandte Röhren:
- 6J2
Technische Daten Heizspannung: 6,3 V Heizstrom: 175 mA Anodenspannung: 120 V (bis 500 V) Anodenstrom: 7,5 mA (bis 10 mA) Steilheit: 5 mA/V Fassung: 7-polig, Miniatur Durchmesser: 18 mm Länge: 45 mm Gewicht: 6 g
EL34
Endstufenröhre EL 34
Technische Daten Leistung maximal: 25 W Heizstrom: 1,5 A Heizspannung: 6,3 V Anodenspannung: 250 V Gitter 1: -10 bis -13,5 V Gitter 2: 265 V Gitter 3: 0 V Anodenstrom: 100mA
Verwandte Röhren:
- 6CA7
- KT77
2SH27L
russische Batterieröhre 2SH27L
Die russische Röhre 2Ж27Л (2SH27L) ist eine direkt geheizte Pentode. Die nominelle Heizspannung beträgt 2,2 V. Der Heizstrombedarf ist mit ca. 57 mA (Toleranzbereich: 51..63 mA) außerordentlich gering. Die Röhre besitzt einen 8-poligen Loktal-Sockel. Der Glaskolben ist unter einer Metall-Schutzhülle verborgen. Obwohl die Röhre herstellerseitig für 120 V Anodenspannung vorgesehen ist, funktionert sie in etlichen Anwendungen auch mit deutlich niedrigeren Spannungen.
Technische Daten Format der Anleitung: DIN A5 Seiten der Anleitung: 16 Heizspannung der 2SH27L: 2,2 V Heizstrom der 2SH27L: 57 mA Anodenspannung der 2SH27L: 120 V Anodenstrom der 2SH27L: 1,9 mA Steilheit der 2SH27L: 1,25 mA/V Durchmesser der 2SH27L: 32 mm Länge der 2SH27L: 72 mm Fassung der 2SH27L: 8-polig, Loktal Gewicht der 2SH27L: 35 g Gewicht des Experimentiersets: 95 g
Einröhren-Tongenerator mit der russischen Batterieröhre 2SH27L:
Röhren-Bausätze
Experimentiersystem Röhrentechnik RT100
https://www.ak-modul-bus.de/cgi-bin/iboshop.cgi?showd930!0,0,KITRT100
Beschreibung: Das Experimentiersystem Röhrentechnik RT100 basiert auf einem Grundgerät, das 4 Röhrenfassungen, zahlreiche Anschluss- und Einstellmöglichkeiten und eine Steckplatine mit 270 Kontakten trägt. Da die Steckplatine nicht nur die weiteren elektronischen Bauteile aufnimmt, sondern auch die vollständige Verdrahtung ermöglicht, können alle Verbindungen gesteckt werden. Das erleichtert den experimentellen Aufbau und die Änderung bestehender Schaltungen. Das Grundgerät besteht aus einer Platine, die von einer Kunststoffschale mit Gummifüßen gehalten wird, sodass das System sicher und stabil auf dem Arbeitstisch steht.
Als Anschlussmöglichkeiten stehen eine Hohlsteckerbuchse für den Anschluss eines Netzteils, 2 Stereo-Klinkenbuchsen (3,5 mm) für NF-Signale, 16 Schraubklemmen und 16 Buchsen für Miniaturlaborstecker für 12 beliebige und 4 besondere Verbindungen zur Verfügung. Zusätzlich sind zwei Potentiometer mit 10 kΩ und einem Drehkondensator als Einstellmöglichkeiten vorhanden. So lassen sich auch Hochfrequenzversuche ohne großen Aufwand durchführen. Das System ist für die Verwendung mit Spannungen bis 60 V ausgelegt.
Zum Lieferumfang gehört eine ausführliche Anleitung und ein vollständiger Teilesatz aus 4 Röhren, 2 Transistoren, 2 Quarzen, 16 Kondensatoren, 14 Widerständen und 4 Stücke Draht für Steckplatinen in verschiedenen Farben. Die Anleitung mit 44 Seiten im PDF-Format, die Versuchsbeschreibungen, Schaltplänen und Aufbaufotos enthält, wird auf einer CD geliefert. Sie kann jedoch auch im Abschnitt "Dokumentation" auf dieser Seite herunter geladen werden. Auf dem Elektronik-Experimentier-Server Elexs sind weitere Informationen und Versuche zum Experimentiersystem Röhrentechnik RT100 finden.
Zur Stromversorgung sollten Akkus (Blei oder NiMH) oder ein störarmes, linear geregeltes Netzteil verwendet werden. Bei Verwendung von Schaltnetzteilen gelingen die Versuche mit HF-Schaltungen nicht, da diese viel zu hohe Störungen produzieren!
Beschreibung auf unserem: https://www.youtube.com/watch?v=7eGyXn9T9PQ
KIT 2SH27L
https://www.ak-modul-bus.de/cgi-bin/iboshop.cgi?showd930!0,834506723574710,KIT2SH27L
Dieses Experimentierset aus einer Anleitung, zwei Batterieröhren 2SH27L und 20 Steckkontakten wurde für Ausbildung und Hobby zusammengestellt, um einen leichten und preiswerten Einstig in die Röhrentechnik zu ermöglichen. In der 16-seitigen Anleitung werden zehn einfache und ungefährliche Versuche besprochen, wie NF-Verstärker, Kopfhörerverstärker, Tongeneratoren, Detektorempfänger und Audion-Empfänger. Die Batterieröhre 2SH27L kommt mit einer niedrigen Spannung und einer kleinen Heizleistung aus, da sie für den portabeln Einsatz entwickelt wurden. Statt teurer Loktal-Röhrenfassungen werden Steckkontakte einzeln aufgesteckt und an diese direkt Drähte und Bauteile angelötet. Die vorgeschlagenen Versuche eignen sich für eine freie Verdrahtung oder für den Aufbau auf einer Steckplatine. Auf dem Elektronik-Experimentier-Server Elexs wird der Einröhren-Tongenerator aus Kapitel 6 der Anleitung vorgestellt.














